電解研磨することで表面の汚れは取り除かれます。見た目の汚れだけではなく、目に見えない微細な汚れ、通常の洗浄では落せないような汚れも融解作用によって完全に取り除かれクリーンな表面になります。表面粗さも小さくなることから汚れを付きにくくし、汚れが付いても落としやすくなります。
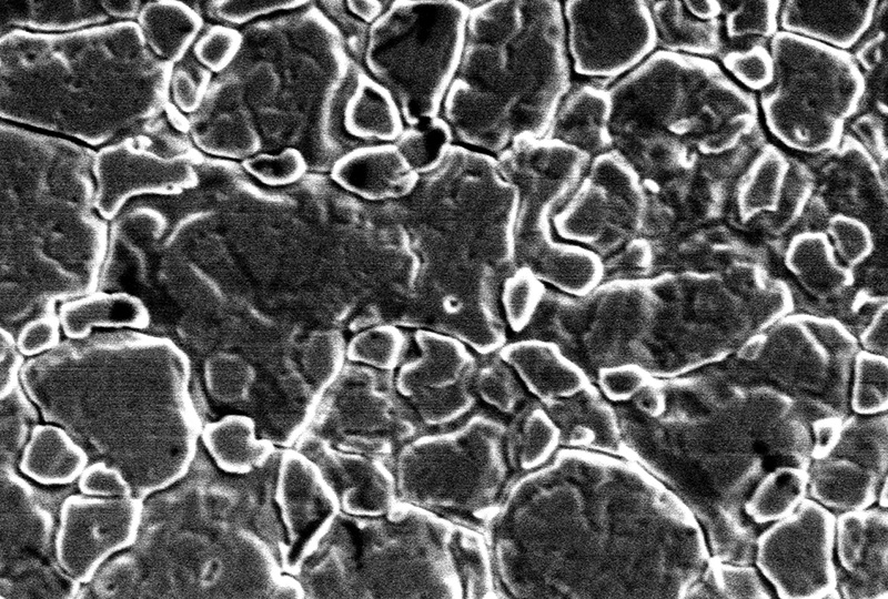
SUS304 2B材 電解研磨前後SEM(走査型電子顕微鏡)
電解研磨前
不純物の溜まりやすい結晶粒界が確認され、スキンパス(調質圧延)によるつぶれにより、複雑な凹凸がある。
汚れの巻き込みが多く、不純物の残留が多いものの、洗浄が困難。
電解研磨後
電解研磨の融解作用により不純物は除去されクリーンな
表面となっている。また、平滑化されており汚れが付きにくく、付いても落としやすい洗浄性の高い表面が得られている。






